Product Summary
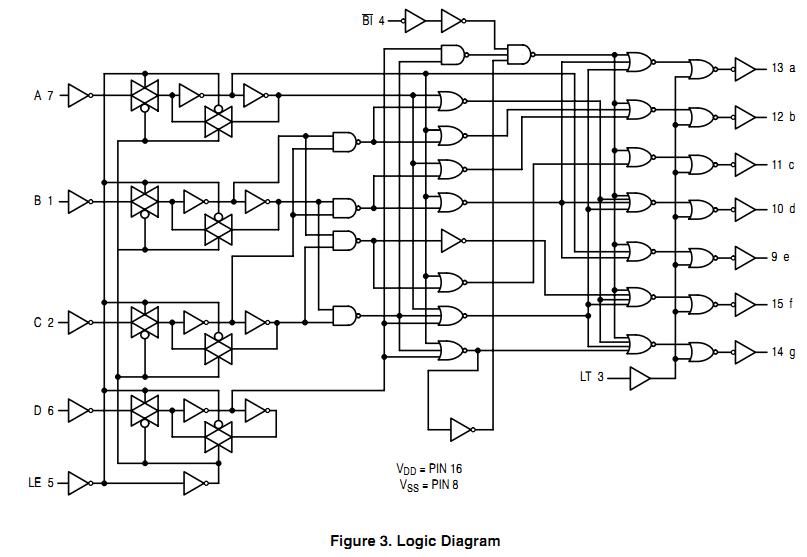
The MC14511BDG is a BCD-to-seven segment latch/decoder/driver constructed with complementary MOS (CMOS) enhancement mode devices and NPN bipolar output drivers in a single monolithic structure. The MC14511BDG provides the functions of a 4-bit storage latch, an 8421 BCD-to-seven segment decoder, and an output drive capability. Lamp test (LT), blanking (BI), and latch enable (LE) inputs are used to test the display, to turn-off or pulse modulate the brightness of the display, and to store a BCD code, respectively. The MC14511BDG can be used with seven-segment light-emitting diodes (LED), incandescent, fluorescent, gas discharge, or liquid crystal readouts either directly or indirectly.
Parametrics
MC14511BDG absolute maximum ratings: (1)VDD, DC Supply Voltage Range: -0.5 to +18.0 V; (2)Vin, Input Voltage Range, All Inputs: -0.5 to VDD + 0.5 V; (3)I, DC Current Drain per Input Pin: 10 mA; (4)PD, Power Dissipation: 500 mW; (5)TA, Operating Temperature Range: -55 to +125℃; (6)Tstg, Storage Temperature Range: -65 to +150℃; (7)IOHmax, Maximum Output Drive Current (Source) per Output: 25 mA; (8)POHmax, Maximum Continuous Output Power (Source) per Output: 50mA.
Features
MC14511BDG features: (1)Low Logic Circuit Power Dissipation; (2)High-Current Sourcing Outputs (Up to 25 mA); (3)Latch Storage of Code; (4)Blanking Input; (5)Lamp Test Provision; (6)Readout Blanking on all Illegal Input Combinations; (7)Lamp Intensity Modulation Capability; (8)Time Share (Multiplexing) Facility; (9)Supply Voltage Range = 3.0 V to 18 V; (10)Capable of Driving Two Low-power TTL Loads, One Low-power Schottky TTL Load, or Two HTL Loads Over the Rated Temperature Range; (11)Chip Complexity: 216 FETs or 54 Equivalent Gates; (12)Triple Diode Protection on all Inputs; (13)Pb-Free Packages are Available.
Diagrams

| Image | Part No | Mfg | Description | ![]() |
Pricing (USD) |
Quantity | ||||||||||||||||
|---|---|---|---|---|---|---|---|---|---|---|---|---|---|---|---|---|---|---|---|---|---|---|
![]() |
![]() MC14511BDG |
![]() ON Semiconductor |
![]() Encoders, Decoders, Multiplexers & Demultiplexers 3-18V BCD/7-Segment Decoder |
![]() Data Sheet |
![]()
|
|
||||||||||||||||
| Image | Part No | Mfg | Description | ![]() |
Pricing (USD) |
Quantity | ||||||||||||||||
![]() |
![]() MC14000UB |
![]() Other |
![]() |
![]() Data Sheet |
![]() Negotiable |
|
||||||||||||||||
![]() |
![]() MC14001B |
![]() Other |
![]() |
![]() Data Sheet |
![]() Negotiable |
|
||||||||||||||||
![]() |
![]() MC14001BCP |
![]() ON Semiconductor |
![]() IC GATE NOR QUAD CMOS 14DIP |
![]() Data Sheet |
![]()
|
|
||||||||||||||||
![]() |
![]() MC14001BCPG |
![]() ON Semiconductor |
![]() Gates (AND / NAND / OR / NOR) 3-18V Quad 2-Input NOR |
![]() Data Sheet |
![]()
|
|
||||||||||||||||
![]() |
![]() MC14001BDG |
![]() ON Semiconductor |
![]() Gates (AND / NAND / OR / NOR) 3-18V Quad 2-Input NOR |
![]() Data Sheet |
![]()
|
|
||||||||||||||||
![]() |
![]() MC14001BDR2 |
![]() |
![]() IC GATE NOR QUAD CMOS 14SOIC |
![]() Data Sheet |
![]()
|
|
||||||||||||||||
(China (Mainland))











